Load Cell
 
  Compression >> Flintec RC3
Product Description :

The type RC3 is a stainless steel self centering rocker column load cell with complete hermetic sealing. It is a perfect fit for use in harsh industrial environments.

 
Performance Specification
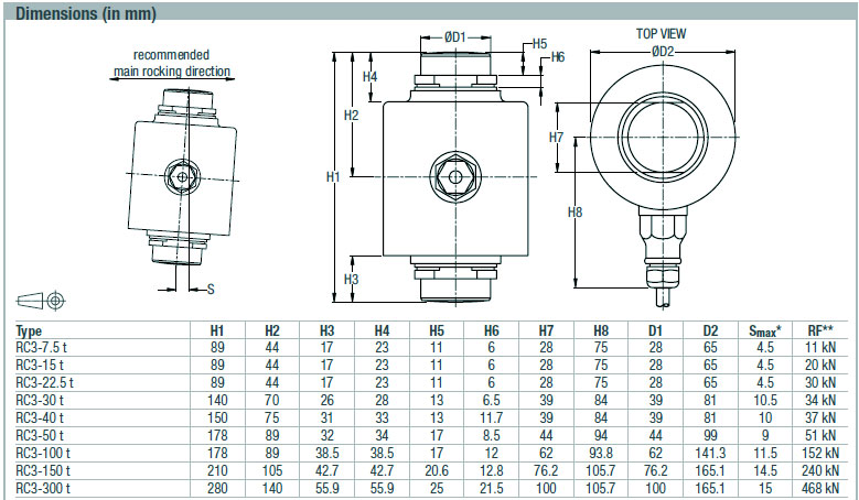
Standard Capacities (Tf.) 10, 20,30,40,50,60,75,100
Excitation Voltage 15 VDC - Maximum 20 VDC
Nominal Output 2.0 mV/V
Non - Linearity < ± 0.025 % FSO (Full Scale Output)
Hysteresis < ± 0.05 % FSO
Non-Repeatability < ± 0.02 % FSO
Creep (30 minutes) < ± 0.03 % FSO
Zero Balance ± 1.0 % FSO
Input Resistance 770 ± 5.0 Ohms
Output Resistance 700 ± 3.0 Ohms
Insulation Resistance (50VDC) > 1000 Mega Ohms at 50 VCD
Cable 4 Core Screen Cable 20 Mtrs.
Safe Overload 150%
Ultimate Overload 300%
Temp. Compensated Range 0-60 0C
Deflection < 0.4 mm at rated load
Finish & Construction Stainless Steel - 17-4 PH     Outer Casing - SS 304
Environmental Protection Class IP68
Transient Voltage Protection Provided
 

Type

B

R
d
D
H
10,15,20,30,40
150
150
44
90
75
45,50,60
175
150
44
90
75
75,100
200
300
65
90
100
 
 
Copyrights @ Concept Electronics 2010. All rights reserved Developed by Om Sai Infotech and Promoted by websites4seo.com